首页
科技新知
宇宙奥秘
航空航天
国家地理
历史军事
动物世界
植物世界
远古生物
未解之谜
探索发现
自然现象
考古发现
户外探险
桌面壁纸
环球趣闻
Science News
神秘的地球
科技新知
地球科学
北极“变暗”显著加剧全球变暖
这是2003年10月杨利伟乘坐神舟五号载人飞船绕地球飞行期间拍摄的地球的资料照片。...
两百万年前南海海底浊流激荡
四种颗石藻球(钙质超微浮游植物的一类)的扫描电镜照片 (神秘的地球)据中国科...
环绕地球轴线旋转的最高时速达到1673千米
这张地图是由位于美国俄勒冈州的赛斯·卡迪什(Seth Kadish)创造的 (神秘的地...
中国科学院地质与地球物理研究所建所往事
侯德封(左) (神秘的地球)据中国科学报(易善锋):2010年,中国科学院地质与...
徐星研究员为《自然》杂志撰写有关中国地
解放初期中国的地质工作者进行野外考察(Nature,506:32) (神秘的地球)据中国...
二百万年前南海海底曾发生剧烈的浊流动荡
同济大学海洋与地球科学学院教授刘志飞与浊流沉积岩芯合影。(资料照片) (神秘...
没有实际数据证明地球磁场正在崩塌或反转
地球磁场 (神秘的地球)据光明日报(袁于飞):日前,网传有国外媒体网站报道:...
太平洋信风加强阻止全球变暖趋势
太平洋信风加强阻止全球变暖趋势 (神秘的地球)据中新网:美国与澳大利亚科学家...
发现地球上有化石记录的最早古赤潮
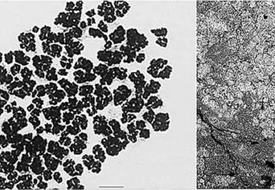
现代微囊藻和2.5亿年前的微囊藻化石 (神秘的地球)据中国科学报(王晨绯):我...
日本最新研究发现地球地表下1400公里处依
(神秘的地球)据新华社东京电(蓝建中):日本一项最新研究称,地表下约1400公里...
1...
上一页
168
169
170
171
172
173
174
175
176
177
...228
下一页
最新资讯
星际彗星3I/ATLAS在
星际彗星3I/ATLAS在X射线下发光,它可能隐藏着我们从未见过的气体。图片来源:uux....
天文学家在银河系半
半人马座欧米茄球状星团。图片来源:uux.cn查克·阿尤布(神秘的地球uux.cn)据今日...
天文学家发现一个行
示例是基于每个伴星的深曝光10′′ K波段图像堆栈的Keck/NIRC2信噪比映射。这些映射...
银河系边缘巨大的新
美国宇航局的詹姆斯·韦伯太空望远镜最近在我们银河系边缘的Sh2-284星团中拍摄到了...
地球的起源故事可能
本研究假设的系统的示意图。图片来源:uux.cn科学进展(2025年)。DOI: 10.1126/s...
Terra Amata遗址揭
Terra Amata遗址有助于理解欧洲最早人类的技术灵活性。图片来源:uux.cn西班牙国家...
天文学家在金牛座发
示例:来自每个伴星的深度曝光10′′ K波段图像栈的Keck/NIRC2信噪图。这些图是通过...
太平洋深渊中伪装成
头足类分布于东北太平洋的深渊。(a) 显示每个分类单元所有目击记录的地图。(b)...
星际彗星3I/ATLAS消
彗星3I/ATLAS在这张由夏威夷Maunakea双子座北方星的双子座多天体光谱仪(GMOS)拍摄...
人工智能刚刚破解了
日冕物质抛射与太阳色球层的混合图像。图片来源:uux.cn/SOHO—ESA & NASA(神...